Rundumlicht

Die Idee
Die grundsätzliche Entwicklung meines Rundumlichtes liegt schon einige Jahre zurück. Damals hatte ich auch gar nicht den Schiffsmodellbau im Sinn sondern es auf Landfahrzeuge abgesehen. Als maximale Ausbaustufe habe ich das LEGO Modell eines US-Feuerwehrfahrzeugs für einen Freund ausgerüstet. Auf dem Dach tummeln sich 6 Rundumlichter mit insgesamt 36 Leuchtdioden.

Nun aber zum Schiffsmodellbau.
Auch dort sind für Einsatzfahrzeuge ja durchaus zur Realisierung der vorgeschriebenen Funkellichter Rundumlichter im Einsatz. Der Modellbauer wünscht hier beim Nachbau gern mal Bewegung statt einfacher Blinkerei. Eine Anfrage nahm ich daher zum Anlass meine Entwicklung noch mal zu überarbeiten und hier vorzustellen.

Das Prinzip
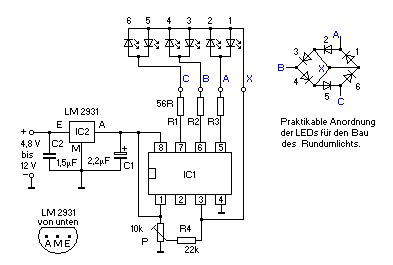
Zur elektronischen Simulation eines Rundumlichtes werden üblicherweise Leuchtdioden eines Lauflichtes im Kreis angeordnet. Dabei wird die Bewegung um so flüssiger, je mehr Leuchtdioden verbaut werden. Ich begann zunächst mit 4 Leuchtdioden. Das klappte, war jedoch mit 4 Schritten recht 'eckig'. Daher habe ich den Ablauf durch Zwischenschritte erweitert. Es wurden Schritte mit 2 leuchtenden benachbarten LEDs vorgesehen. Diese leuchteten jeweils mit halber Intensität. Das war schon gleichmäßiger, gefiel mir bar noch nicht so recht. Weitere Leuchtdioden sind schaltungstechnisch kein Problem – mit dem Platz in der Rundumleuchte sieht es das schon anders aus. Letztlich habe ich mich zur Verwendung von 6 LEDs entschlossen, die nun in 12 Schritten in einem Lampenkörper mit 4mm Innendurchmesser ihre Runden drehen. Drehrichtung und Geschwindigkeit sind einstellbar.


Funktionsablauf in Einzelschritten

Die Ansteuerschaltung
Durch den Einsatz eines Microcontrollers ist die Ansteuerung des Rundumlichtes recht übersichtlich und kann ohne Hardwareänderung in der Funktion angepasst werden. Die spezielle Zusammenschaltung der Leuchtdioden ermöglicht eine Verbindungsleitung zwischen Ansteuerschaltung und Lampenkörper die mit 4 Leitungen auskommt. Die recht kleine Schaltung kann gut auf einer Lochrasterplatte untergebracht werden. Der angegebene Layoutvorschlag hilft hier bei der Verdrahtung oder kann als Vorlage für die Erstellung einer geätzten Platine herangezogen werden. Der verwendete Spannungsregler erlaubt einen weiten Versorgungsspannungsbereich von 4,8 Volt bis 12 Volt. Durch den eingebauten Verpolschutz nimmt er auch das Vertauschen von Plus und Minus nicht übel. Die Stromaufnahme der Schaltung liegt bei 20mA. Mit dem Spindeltrimmer kann die Geschwindigkeit und die Drehrichtung eingestellt werden. An den jeweiligen Endpositionen dreht das Licht am langsamsten. Zur Mitte wird es schneller. In der Mitte kommt es zum Richtungswechsel. Die Umlaufzeit ist aktuell im Bereich 0,5s bis 1s einstellbar. Die meisten Bauteile sind bei den üblichen Elektronik Anbietern (z.B. Reichelt) erhältlich. Der programmierte Controller ist ausschließlich bei Helmut Malinowski zu beziehen.

Aufbau
Für den Aufbau und das Ersellen einer selbst geätzten Platine kann man sich an den nebenstehenden Vorschlägen orientieren.

Die Leuchtdioden
Um ein möglichst kleines Rundumlicht bauen zu können, habe ich auf SMD Leuchtdioden der Baugröße 603 zurückgegriffen. Diese werden im Kreis angeordnet und wie im Schaltplan elektrisch verbunden. Als Schaltdraht kommt Kupferlackdraht zum Einsatz. Ich habe Draht mit ca. 0,06mm Druchmesser verwendet. Diesen kann man gut der Spule eines 12V Relais entnehmen. Einfach mal in der Bastelkiste nachsehen. Bei Löttemperaturen über 350°C schmilzt die Isolierung und der Draht lässt sich gut verzinnen. Spezialwerkzeug benötigt man nicht. Natürlich ist eine gute Pinzette unabdingbar. Für die feinen Lötstellen habe ich die Spitze meines Lötkolbens mit feinem Klingeldraht umwickelt und somit eine feine „Lötspitze“ erhalten. Das klappt erstaunlich gut. Damit die 4 feinen Drähte nicht so frei herumliegen, habe ich sie in die in die Isolierung eines Klingeldrahtes eingezogen. Der Aussendurchmesser beträgt dann etwa 1mm und kann gut als Zuleitung aussen am Mast verlegt werden. Der verkabelte Leuchtdiodenkranz wird abschließend mit Klebstoff vergossen und wird damit recht robust. Am anderen Ende werden die Kupferlackdrähte an einen Stecker angeschlossen und verklebt (Heißkleber). Das Leuchtelement hat einen Durchmesser von ca. 4mm und kann in einem Lampenkörper untergebracht werden. Der von mir benutzte Lampenkörper hatte diese 4mm bereits. Eventuell muss man seinen Lampenkörper noch anpassen. Für den Einbau in das Modell kann man das kleine Rundumlicht von unten nach oben durchfädeln.
Für das zwischenzeitliche Durchmessen der LEDs und Verkabelung verwende ich eine 9V Blockbatterie in deren Zuleitungen ich Widerstände (470 Ohm) gelötet habe.

 

Shop & Service

Bezugsquellen
Die Bauteile sind weitgehend handelsüblich und somit im Elektronikhandel zu bekommen. Eine Ausnahme bildet der Controller (IC1). Dieser muss mit einem Programm versehen werden. In der Vergangenheit war das gewerblich zu beziehen - ebenso die komplett aufgebaute Schaltung. Leider gibt es diesen Shop nicht mehr.

Und nun ?
Auf Anfrage kann ich eventuell helfen:

Lötfuchs.de - Karsten Hildebrand - 21.02.2024

>> Kontakt - Impressum