|
Um in den Größenverhältnissen vorbildnah zu bleiben, sollten die Tonnen eine Lichtöffnung von ca. 1 mm erhalten.
Für die Tonnen wurde das Loch mit einem Nagel angebracht und mit einem Stück 1mm Lichtleitfaser ausgefüllt. Ein kleiner Holzklotz wurde mit einer Bohrung von 1mm versehen. Zur Hälfte wurde dann auf 3mm aufgebohrt. Dieser Klotz wurde nach Angabe von Klebstoff über die Lichtleitfaser gestülpt und kann, wie im Bild veranschaulicht, die 3mm Leuchtdiode aufnehmen.
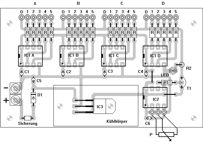
Hier nun auch ein Blick auf die verkabelte Karte.
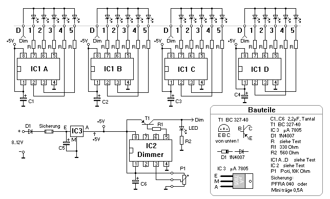
Die Leuchtdioden sind Plus-seitig untereinander verbunden und werden an den Dimmer Ausgang der Schaltung angeschlossen. Die Minus Anschlüsse werden zu den entsprechenden Ausgängen der Platine geführt. Für diesen kleinen Kartenausschnitt sind übrigens schon 14 Leuchtdioden verbaut. Wer eine große Karte beleuchten möchte, wird sicher überlegen, die Tonnen nur ständig leuchten zu lassen. Dann bietet es sich auch an, die Lichtleitfasern länger zu lassen und mit einer Leuchtdiode dann gleich mehrere Tonnen zu beleuchten.
Leuchtdioden
Bei der Auswahl der Leuchtdioden kann man nur schwer Empfehlungen geben. Einerseits hängt das davon ab, wie der Modellbauer seine Karte ausführen möchte. Für weisse LEDs gibt es ja das 'klassische' Weiss, das eher bläulich erscheint. Warmweisse LEDs wird man womöglich als gelblich empfinden. Das ist eben auch Geschmackssache. Wenn man sich nach Sichtung von Mustern entschieden hat, sollte man aber auf jeden Fall nur LEDs aus einer Lieferung gemeinsam verbauen. Ich habe schon leichte Farbunterschiede von Lieferung zu Lieferung erlebt.
Die Helligkeit der Leuchtdioden hängt bekanntlich vom gewählten Vorwiderstand ab. Dieser sollte jedoch nicht nach der maximal zulässigen Stromstärke der Leuchtdiode bemessen werden , sondern experimentell ermittelt werden. Maßgebend wird dabei sein, dass die Helligkeit der verschiedenen Leuchtdioden aufeinander abgestimmt ist.
|

|